Plattenwärmetauscher: EWT-BN4-60 |
||
|
|
||
|
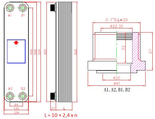
Standard Anschlüsse |
4 x 1" AG / flachdichtend (DIN 259 / ISO 228 - G) |
|
|
Austauschfläche pro Einheit |
0.0533 m2 |
|
|
Maximaler Volumenstrom |
20 m3/h |
|
|
Plattenmaterial |
WNr. 1.4401, AISI 316L |
|
|
Lotmaterial |
Nickel |
|
|
Plattenstärke |
0.4 mm |
|
|
Volumen pro Kammer |
0.107 dm³ |
|
|
Max. Plattenzahl |
120 |
|
|
Max. Betriebsdruck |
1.0 MPa |
|
|
Prüfdruck |
1.5 MPa |
|
|
Temperaturbereich |
-150°C / +200°C |
|

